Products

  • Home
  • /
  • U-Bolt Axle Plate 3.5'' Round Axles, Hole size 5/8

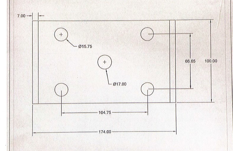
U-Bolt Axle Plate 3.5'' Round Axles, Hole size 5/8

Product Code : NX-15
Product Specifications
  • Axle Size: 3.50 Tube 
  • Spring Width: – 2″ 
  • U-Bolt Size: 9/16"
  • Axle Type: 8k
  • Material Thickness = .313" (8 mm )
  • Finish: Powder coated black matt / Plain
  • Reference part number =  012-037-00