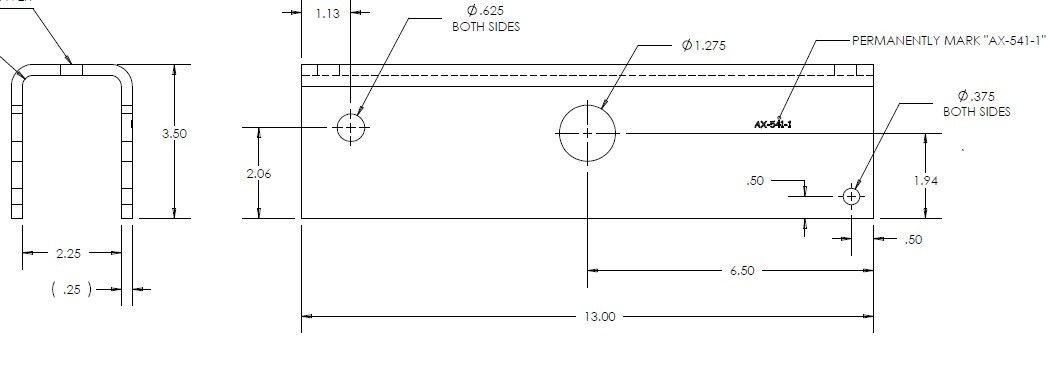
13" equalizer for 2" spring with 5/8 & 3/8 hole
Equalizer 2" Spring 5/8 X 5/8 Hole
SADDLE R.1-51
SADDLE , R-1.2
9/16 NF , 3" BOLT USES 7/16 LOCK NUT
9/16 NF , 3" BOLT USES 7/16 LOCK NUT GR
9/16-18X3" BOLT FOR 1-3/4" SPG
9/16-18X3" NF BOLT FOR 1-3/4" SPG - GREASEABLE
SHACKLE BOLT 9/16 X 3-3/4"
9/16 X 3-1/2" SUSP. BOLT - GRESABLE
Equalizer 2" Spring 5/8x5/8 Hole (6 mm)
Equalizer Fabricated 9/16 & 3/8 holes (8mm)
Equalizer Fabricated 9/16 & 3/8 holes (6mm)
2" Wide Slipper Spring Equalizer for 3.5K - 8K Multi-Axle Configurations - 12" Long
E55412H Trailer 2" Slipper Spring Suspension Equalizer 12" Long
Copyright @ 2024 - All Right Reserved